YAMA SEIKI CNC Machining company logo

ITALIAN Made Two Axes Head

The rigid fork structure of the two axes head is made from GGG40 modular graphite cast iron and can easily sustain and disperse the complex cutting forces imposed on it during heavy cutting.

Advanced B, C axes structure

• Driven by three direct drive motors that provide high rotation speed, high torque and zero backlash.

• Equipped with cross roller bearings to sustain axial and radial loads from all directions.

• Disk type hydraulic clamping system featuring agile response and better heat dissipation to accommodate frequent
  clamping demands.

High resolution absolute encoders ensure optimal machining accuracy.

B-axis C-axis
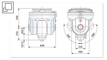
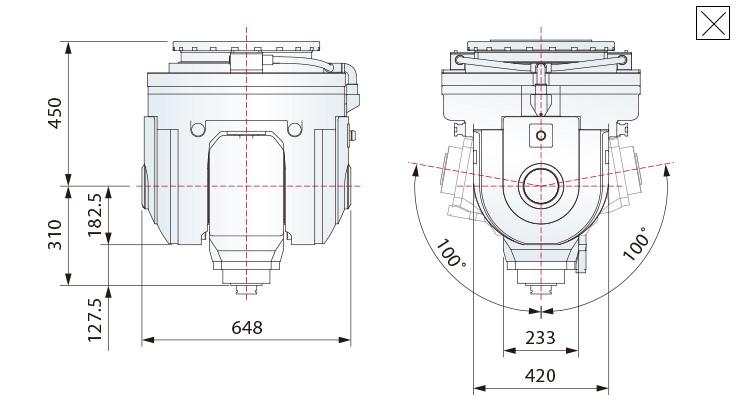
Max. speed 50 rpm 50 rpm
Max. acceleration 30 rad/sec² 30 rad/sec²
Max. torque 1,400 Nm 1,300 Nm
Clamping torque 4,000 Nm 4,000 Nm
Position accuracy ± 3 arc.sec ± 3 arc.sec
Rotary angle ± 100° ± 240°

The symmetric fork structure


symmetric_fork_structure

Compact design with low interference

low_interference

High torque direct drive motors

High_torque_direct_drive motors
Thermal stability of the spindle

The spindle reaches thermal stability within 10 minutes from a cold start; afterwards thermal expansion is limited to less than 0.01 mm, even during long time machining.

thermal_stability

Modular spindle system

TCH-20F Two Axes Head 
standard
 24,000 rpm High Speed Built-in Spindle ( HSK-A63 )
[+] [+]
TCH-20F-A Two Axes Head 
optional_
 124 Nm High Torque Built-in Spindle ( HSK-A100 )
[+] [+]

Strict quality control

strict_quality_control_1 strict_quality_control_2

1. Geometric accuracy check
   ( granite square gauge 1 m x 1 m )

2. 3D accuracy check
   ( B : ±90° / C : ±180° )

[x]
[x]
[x]
[x]