AWEA LOGO

ITALIAN Made Two Axes Head

The rigid fork structure of the two axes head is made from GGG40 modular graphite cast iron and can easily sustain and disperse the complex cutting forces imposed on it during heavy cutting.

Two Axes Heads Line-up
Models Taper Max. Speed Motor Output*2
TCH-20F HSK-A63 24,000 rpm 42 / 55 kW
TCH-19 HSK-A63 24,000 rpm 42 / 55 kW
KESSLER*1 HSK-A63 24,000 rpm 37 / 46 kW
*1 GERMAN made two axes head     *2 S1 / S6 40%
Thermal stability of the spindle

The spindle reaches thermal stability within 10 minutes from a cold start; afterwards thermal expansion is limited to less than 0.01 mm, even during long time machining.

thermal_stability
Advanced B, C axes structure

• Driven by three direct drive motors that provide high rotation speed, high torque and zero backlash.
• Equipped with cross roller bearings to sustain axial and radial loads from all directions.
• Disk type hydraulic clamping system featuring agile response and better heat dissipation to accommodate frequent clamping demands.
• High resolution absolute encoders ensure optimal machining accuracy.

B-axis C-axis
Max. speed 50 rpm 50 rpm
Max. acceleration 30 rad/sec² 30 rad/sec²
Max. torque 1,400 Nm ( TCH-20F ) / 1,100 Nm ( TCH-19 ) 1,300 Nm ( TCH-20F ) / 900 Nm ( TCH-19 )
Clamping torque 4,000 Nm 4,000 Nm
Position accuracy ± 3 arc.sec ± 3 arc.sec
Rotary angle ± 100° ± 240°

The symmetric fork structure


symmetric_fork_structure

Compact design with low interference

low_interference

High torque direct drive motors

High_torque_direct_drive motors
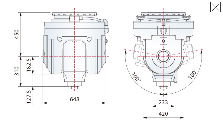
TCH-20F High Speed Built-in Spindle
Standard
[+] [+]
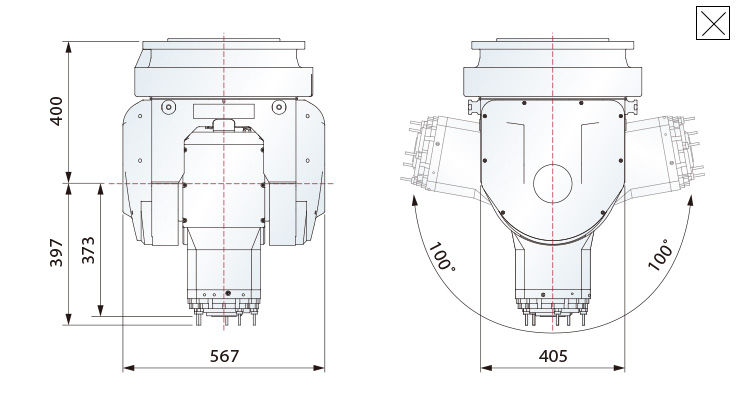
TCH-19 High Speed Built-in Spindle
optional
[+] [+]
optional

GERMAN made two axes head ( KESSLER )

GERMAN KESSLER
B-axis C-axis
Max. speed 100 rpm
Max. acceleration 30 rad/sec²
Max. torque 1,200 Nm 1,100 Nm
Clamping torque 2,160 Nm 3,024 Nm
Position accuracy ± 5 arc.sec ± 3 arc.sec
Rotary angle ± 105° ± 360°
Spindle
Motor Output
( S1 / S6 40% )
37 / 46 kW
Max. torque
( S1 / S6 40% )
60 / 73 Nm
Max. speed 24,000 rpm
Taper HSK-A63
[x]
[x]
[x]
[x]